Mạng điện TT là mạng điện phổ biến ở Việt Nam.
- Hệ thống điện 3 pha 4 dây+đất điện áp L-N/L-L: 120/208V, 220/380, 230/400, 240/415V, 277/480V, 347/600V. Hệ thống điện 1 pha 2 dây+đất điện áp L-N: 110V, 120V, 220V, 240V
Lắp đặt thiết bị chống sét lan truyền (SPD) như thế nào cho phù hợp với mạng điện TT.
- Theo tiêu chuẩn IEC 60364-1 chúng ta có các thông số Un, Uc. Với Un: điện áp làm việc danh định của hệ thống điện, Uc: điện áp làm việc liên tục cực đại của SPD.
- Đối với việc lựa chọn thiết bị SPD thì Uc phải tối thiểu 1.1*Un nên sử dụng SPD có Uc= trong khoảng 1.1-1.3*Un.
- Ví dụ: Mạng điện sử dụng điện áp làm việc bình thường Un: 230V thì Uc phải tối thiểu 255V nên sử dụng 300V. Mạng điện Việt Nam thường 220-240V thì nên sử dụng Uc: 275V là hợp lý.
- Lưu ý: Uc càng nhỏ thì thường Up sẽ nhỏ thiết bị cần được bảo vệ sẽ tốt, nhưng thiết bị chống sét lan truyền SPD hay bị hỏng hay phải thay thế, nên nhà sản xuất phải cân đối giữa độ bền SPD và khả năng bảo vệ thiết bị
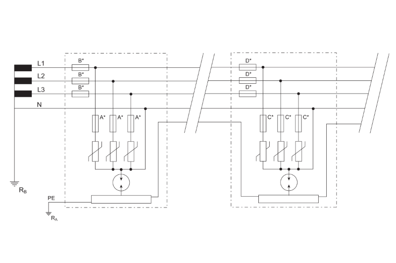
- Trong hệ thống điện TT cầu chì, thiết bị đóng cắt bảo vệ quá dòng phải được lắp đặt cho SPD phải phù hợp.

Hình ảnh: phân bố lắp đặt cầu chì SPD
- Phải lắp đặt cầu chì A nếu cầu chì B vượt quá mức yêu cầu.
- Đối với SPD bảo vệ Class 1, Type 1. Khi B > 315a cần lắp thêm cầu chì dự phòng ≤ 315a, còn B < 315a thì không cần cầu chì dự phòng A.
- Phải lắp cầu chì C nếu cầu chì D vượt quá mức yêu cầu. Đối với SPD Class 2, Class 3. Khi D > 160a cần lắp them cầu chì C ≤ 160a, nếu D ≤ 160a thì không cần lắp cầu chì dự phòng C.
- Trong mạng điện TT dây L không được đấu trực tiếp xuống PE (nên không được lắp cấu hình L-PE) mà phải thông qua dây N. Do đố cấu hình lắp đặt thiết bị chống sét lan truyền hay SPD cho mạng điện TT đối với 1 pha phải là: L-N & N-PE đối với 3 pha phải là: L1-N, L2-N-L3-N & N-PE. Cầu hình N-PE được khuyến khích sử dụng công nghệ GDT (Gas Discharge Tube).
- Quý khách cần thông tin tư vấn lắp đặt thiết bị chống sét lan truyền phù hợp với mạng điện Việt Nam vui lòng gọi theo số: 0978281637, tel: 02466528821.